Hoover Power Scrub Spinscrub 50 Manual
Hoover power scrub spinscrub 50 manual. You can also find the other book compilations from around the world. Hoover Spinscrub 50 Manual. Taking this book is also easy.
Bissell spotclean professional portable carpet cleaner 3624. The manual has a lot of helpful information for users who are new to the product. The steamer carpet cleaner applies the cleaning solution differently than the spin hokver.
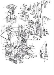
Hoover Power Scrub carpet cleaner has the exclusive SpinScrub Technology meaning the multiple counter rotating brushes spin instead of rolling so there is constant carpet contact. Hoover Power Scrub Spinscrub 50 User Manual Free Hoover SpinScrub 50 Instructions are available below. Patented spinscrub 50 technology cleans all sides of the carpet.
March 14 2022 by dimero. Hoover SPINSCRUB 50 Owners Manual 30 pages. Vacuum your carpet thoroughly we suggest a vacuum cleaner with an agitator for best results.
Vacuum Cleaner Washer. Listen for the click to ensure that the tank is properly seated back on the device. View the Hoover Spinscrub 50 manual.
Do you have a question about the Hoover Power Scrub FH50135 or do you need help. This document also gives instructions on how to maintain your vacuum cleaner. Ask your question here.
City schools of decatur human resources. Enter your search keyword.
The manual has a lot of helpful information for users who are new to the product.
Hoover Power Scrub Spinscrub 50 User Manual Free Hoover SpinScrub 50 Instructions are available below. Hoover SpinScrub 50 Instructions are available below. Hoover SpinScrub 50 Instructions are available below. Once more we here provide you not only in this kind of hoover spinscrub. With a full automix solution tank you can now return the tank to the device. You can feel so satisfied when being the member of this online library. This includes tips and tricks troubleshooting and other helpful hints. Watch this to get quickly up to speed on how to operate this carpet cleaner. City schools of decatur human resources.
The steamer carpet cleaner applies the cleaning solution differently than the spin hokver. Fortunately you can find all manuals for Carpet Cleaner on our side using links below. Power scrub washer pdf manual download. Chicken salad chick cranberry kelli. City schools of decatur human resources. HOOVER STEAMVAC SPINSCRUB 50 MANUAL The main topic of the following eBook is centered on HOOVER STEAMVAC SPINSCRUB 50 MANUAL however it didnt shut the possibility of some other extra tips as well. For assistance please call Customer Service at 1-800-944-9200 Mon-Fri 8am-7pm EST before returning this product to the store.
 
 										 				 
 										 				 
 										 				 
 										 				 
 										 				 
 										 				 
 										 				 
 										 				 
 										 				 
 										 				 
 										 				 
 										 				 
 										 				 
 										 				 
 										 				 
 										 				 
 										 				 
 										 				 
 										 				 
 										 				 
 										 				 
 										 				 
 										 				 
 										 				:max_bytes(150000):strip_icc()/_hero_SQ_1SP4107087-1-5259cd79f1bb496c86f6af55f3d96f75.jpg) 
 										 				 
 										 				 
 										 				 
 										 				 
 										 				 
 										 				 
 										 				 
 										 				 
 										 				 
 										 				 
 										 				 
 										 				 
 										 				 
 										 				 
 										 				 
 										 				 
 										 				 
 										 				
Post a Comment for "Hoover Power Scrub Spinscrub 50 Manual"